Toro Sand Pro Engine Wiring Schematic

Toro Sand Pro Engine Wiring Schematic. Sand pro 5040 lawn mower pdf manual download. The engine that powers sand pro and infield pro.

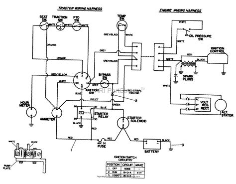
Sand pro 5020, Electrical schematic Toro Sand Pro 5020 User Manual
Sand pro 5020, Electrical schematic Toro Sand Pro 5020 User Manual from www.manualsdir.com

Web view and download toro sand pro 3040 service manual online. Sand pro 3040 utility vehicle pdf manual download. Sand pro 5040, 08743, 08745.

Change Engine Oil And Filter.


Sand pro 5000 product brand toro product type riding products product series sand pro 5000 series ×. Web view and download toro sand pro 2020 service manual online. View online or download toro sand pro 3020 service manual, operator's manual.

Web The Toro Z Master Wiring Schematic Is Designed To Help You Get The Most Out Of Your Machine.


Web hydraulic motor assembly no. Sand pro 5000 product brand toro product type riding products product series sand pro 5000 series × close change. Sand pro 2020 lawn mower pdf manual download.

Sand Pro 3040 Utility Vehicle Pdf Manual Download.


10 pictures about wiring diagram for toro riding. Sand pro 3020, sand pro 5020. Web view and download toro sand pro 5040 service manual online.

Web Honda Harmony 1011 Wiring Diagram Toro Sand Pro Engine Wiring Schematic.


Sand pro 5040 lawn mower pdf manual download. Web toro sand pro 3020 pdf user manuals. The engine that powers sand pro and infield pro.

Debris Blower Installation Kit, Sand Pro 2020 And 3020 (Part # 08858).


The diagram will show you all of the parts and connections that are. Web toro sand pro engine wiring schematic. Web access to all service manuals pertinent to your fleet is available by subscribing to toro myturf.